Sign In | Join Free | My wneducation.com
China HUATEC  GROUP  CORPORATION logo
HUATEC GROUP CORPORATION
HUATEC GROUP CORPORATION Professional Non Destructive Testing Equipment
Verified Supplier

10 Years

Home > Ultrasonic Calibration Blocks >

305mm x 75mm x 50mm IOW Ultrasonic Calibration Blocks IOW for beam profile measurement

HUATEC GROUP CORPORATION
Trust Seal
Verified Supplier
Credit Check
Supplier Assessment
Contact Now

305mm x 75mm x 50mm IOW Ultrasonic Calibration Blocks IOW for beam profile measurement

  • 1
  • 2

Brand Name : HUATEC

Model Number : IOW Block

Certification : CE, Calibration Certificate

Place of Origin : China

MOQ : 1 pc

Payment Terms : TT, L/C, Western Union

Supply Ability : 1000pcs per month

Delivery Time : 3-7 working days,V1 and V2 have stock

Packaging Details : Packed in ABS engineering plastics,and then reinforced with carton for outer packing

Product Name : Ultrasonic Calibration Block

Type : IOW Block

Material : 1018 carbon steel, LY12/6063/7075 aluminum,304 stainless steel

Standard : British Standard 2704

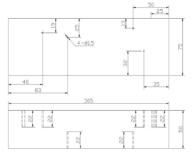
Dimensions : 305mm x 75mm x 50mm

Packing : ABS engineering plastics

Contact Now

Ultrasonic Calibration Blocks IOW for beam profile measurement of angle beam transducer

Specifications:
Calibration blocks is an important supplementary material in the Ultrasonic testing, used to calibrate the sensitivity of the ultrasonic flaw detector and ultrasonic probe. Our testing block is certificated by the authority of the state depeartment. Our products include: domestic standards UT blocks, European standard UT block, NDT block, hexagonal testing block, and so on.

Used for beam profile measurement of angle beam transducers and measurement of transducer angles. Contains nine 1.5mm diameter x 22mm deep side drilled holes. In accordance with British Standard 2704 requirements.

Dimensions: 305mm x 75mm x 50mm

305mm x 75mm x 50mm IOW Ultrasonic Calibration Blocks IOW for beam profile measurement

305mm x 75mm x 50mm IOW Ultrasonic Calibration Blocks IOW for beam profile measurement

IOW TYPE2:305mm x 75mm x 50mm IOW Ultrasonic Calibration Blocks IOW for beam profile measurement


Product Tags:

ut calibration blocks

      

ndt calibration blocks

      
Buy cheap 305mm x 75mm x 50mm IOW Ultrasonic Calibration Blocks IOW for beam profile measurement product

305mm x 75mm x 50mm IOW Ultrasonic Calibration Blocks IOW for beam profile measurement Images

Inquiry Cart 0
Send your message to this supplier
 
*From:
*To: HUATEC GROUP CORPORATION
*Subject:
*Message:
Characters Remaining: (0/3000)