Sign In | Join Free | My wneducation.com
China HUATEC  GROUP  CORPORATION logo
HUATEC GROUP CORPORATION
HUATEC GROUP CORPORATION Professional Non Destructive Testing Equipment
Verified Supplier

10 Years

Home > Non Destructive Testing Equipment >

HUATEC Diffraction instrument X-Ray Tube HXA-1060N

HUATEC GROUP CORPORATION
Trust Seal
Verified Supplier
Credit Check
Supplier Assessment
Contact Now

HUATEC Diffraction instrument X-Ray Tube HXA-1060N

Brand Name : HUATEC

Model Number : HXA-1060N

Certification : ISO,CE

Place of Origin : China

Model number : HXA-1060N

Brand : HUATEC

Contact Now

Diffraction instrument X-Ray Tube HXA-1060N

1. Introduction

The HXA-1060N X-ray tube is a type of X-ray diffraction tube. Used in conjunction with X-ray

diffract meters and crystal analyzers. This product has strong universality and can replace

imported similar products in various instruments at home and abroad. The HXA series is divided

into two types: normal focus and fine focus, and comes with a variety of target materials to

choose from. For customers with special needs, we can customize them specifically

Model number HXA-1060N
Brand HUATEC
Product Name X-Ray Tube

2.Technical Parameters

HUATEC Diffraction instrument X-Ray Tube HXA-1060N

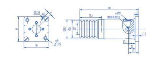
3.Shape

HUATEC Diffraction instrument X-Ray Tube HXA-1060N


Product Tags:

HUAtec X-Ray diffraction instrument

      

X-Ray Tube HXA-1060N

      

Non Destructive Testing X-Ray Tube

      
Buy cheap HUATEC Diffraction instrument X-Ray Tube HXA-1060N product

HUATEC Diffraction instrument X-Ray Tube HXA-1060N Images

Inquiry Cart 0
Send your message to this supplier
 
*From:
*To: HUATEC GROUP CORPORATION
*Subject:
*Message:
Characters Remaining: (0/3000)